
You can find out more Diagram below
Fuse Box Diagram Wiring 2 Library Z2 Hyundai I10 Electrical
Wiring Diagrams Exploded Diagrams Alldata
2007 Hyundai Accent Electrical Troubleshooting Manual Original
Hyundai H100 Alternator Wiring Diagram Gm Best 3 Wire For Of
Smt 6 Wiring Help Hyundai Aftermarket
M 11 Ecm Wiring Diagram Cummins M11 Wiring Harness
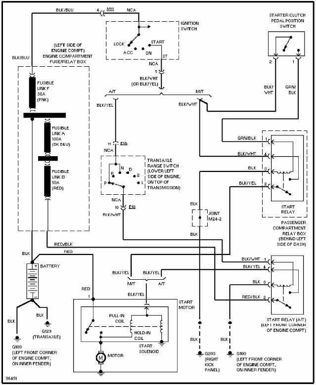
Hyundai Sonata Nf 2005 2013 Engine Electrical System
Hyundai Accent 2000 Wiring Schematic Online Wiring Diagram
Hyundai Accent Ecu Wiring Diagram Accent Wiring Diagram
No Power To Fuel Pump On 2004 Santa Fe 4yl Auto I Am Not
Hyundai Trajet Ecu Wiring Diagram For Free Diagrams Agram
Hyundai Accent 2000 Wiring Schematic Online Wiring Diagram
Safc Wiring Diagram Hyundai Wiki Fandom Powered By Wikia
Wiring Diagram Of Hyundai I20 Wiring Diagram Srconds
Fuse Box Hyundai Accent 2002 Wiring Diagram Forward Location
0 comments:
Post a Comment